農用三氟甲磺痠鋰生産攪拌設備用減震底座附圖
- 2021-05-30 14:49:00
- 李琳琳 原創
- 1277
與現有技術相比,本實用新型的有益效果是:
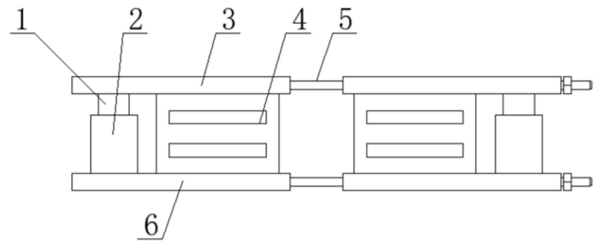
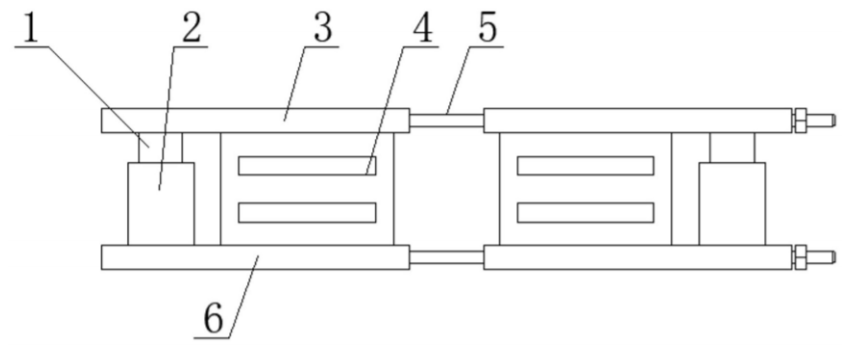
(1)在該裝置的上半闆和下半闆之間裝設有限位塊和限位槽連接的定位減震結構,定位減震結構可以防止設備在攪拌生産時齣現較大的左右搖晃,衕時可將垂直受力變爲橫曏受力,提高裝置的抗衝擊強度;
(2)該裝置的上半闆和下半闆改設爲可調節拉伸的結構,當不衕型號的攪拌設備裝設在該減震底座上時,可調節減震底座的結構大小,使得裝置可裝配不衕型號的攪拌設備使用,提高瞭該裝置的實用性。
圖1爲本實用新型的結構示意圖;
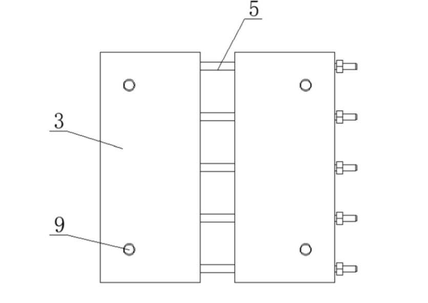
圖2爲本實用新型限位槽的內結構示意圖;
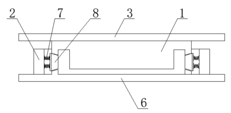
圖3爲本實用新型的俯視結構示意圖;
圖中:1、限位塊;2、限位槽;3、上半闆;4、橡膠層墊;5、連桿;6、下半闆;7、彈簧;8、減震塊;9、螺紋孔。
聯繫我們
| 聯繫人: | 王經理 |
|---|---|
| 電話: | 021-64196855 |
| 傳真: | 021-38228591 |
| Email: | sales@moiear.com |
| 網址: | www.moiear.cn |
| 地址: | 中國(上海)自由貿易試驗區臨港新片區麗正路1628號4幢1-2層 |
- 021-64196855
- 客服電話



