农用三氟甲磺酸锂生产搅拌设备用减震底座附图
- 2021-05-30 14:49:00
- 李琳琳 原创
- 1265
与现有技术相比,本实用新型的有益效果是:
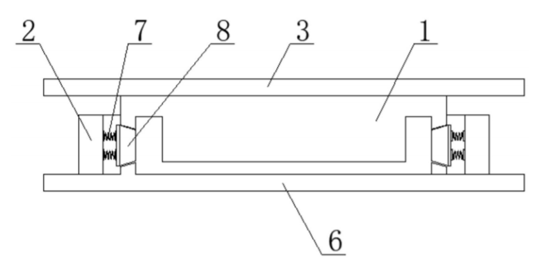
(1)在该装置的上半板和下半板之间装设有限位块和限位槽连接的定位减震结构,定位减震结构可以防止设备在搅拌生产时出现较大的左右摇晃,同时可将垂直受力变为横向受力,提高装置的抗冲击强度;
(2)该装置的上半板和下半板改设为可调节拉伸的结构,当不同型号的搅拌设备装设在该减震底座上时,可调节减震底座的结构大小,使得装置可装配不同型号的搅拌设备使用,提高了该装置的实用性。
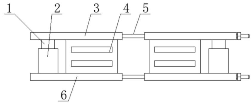
图1为本实用新型的结构示意图;
图2为本实用新型限位槽的内结构示意图;
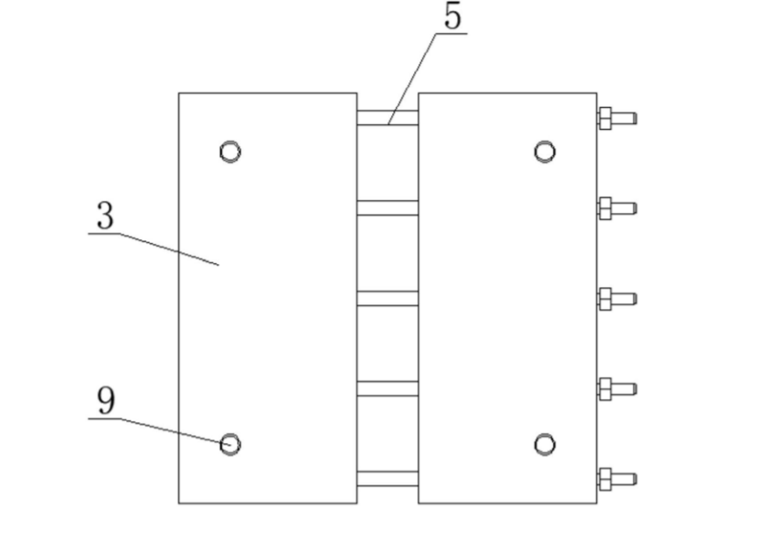
图3为本实用新型的俯视结构示意图;
图中:1、限位块;2、限位槽;3、上半板;4、橡胶层垫;5、连杆;6、下半板;7、弹簧;8、减震块;9、螺纹孔。
联系我们
| 联系人: | 王经理 |
|---|---|
| 电话: | 021-64196855 |
| 传真: | 021-38228591 |
| Email: | sales@moiear.com |
| 网址: | www.moiear.cn |
| 地址: | 中国(上海)自由贸易试验区临港新片区丽正路1628号4幢1-2层 |
- 021-64196855
- 客服电话



